中国政府网
重庆市人民政府网
重庆市北碚区人民政府
部门/街镇
登录
注销
注册
>
繁体版
智能机器人
适老版
无障碍
网站支持ipv6
热搜词:
建筑能效测评
内资公司
个体工商户
身份证
入学
医疗保险
政务服务
互动交流
部门
区发展改革委
区教委
区科技局
区经济信息委
区民政局
区司法局
区财政局
区人力社保局
区生态环境局
区住房城乡建委
区城市管理局
区交通运输委
区水利局
区农业农村委
区商务委
区文化旅游委
区卫生健康委
区退役军人事务局
区应急管理局
区审计局
区国资委
区统计局
区医保局
区林业局
区信访办
区大数据发展局
区招商投资促进局
区公安分局
街镇
天生街道办事处
朝阳街道办事处
北温泉街道办事处
龙凤桥街道办事处
东阳街道办事处
蔡家岗街道办事处
歇马街道办事处
水土街道办事处
复兴街道办事处
静观镇人民政府
施家梁镇人民政府
童家溪镇人民政府
澄江镇人民政府
天府镇人民政府
柳荫镇人民政府
三圣镇人民政府
金刀峡镇人民政府
首页
>
区交通运输委
>
政务公开
>
法定主动公开内容
>
预算/决算
>
决算公开
索引号
115001090092982375/2025-00017
发文字号
发布机构
北碚区交通运输委
主题分类
交通
体裁分类
财政预算、决算
成文日期
2025-10-30
发布日期
2025-10-30
有效性
有效
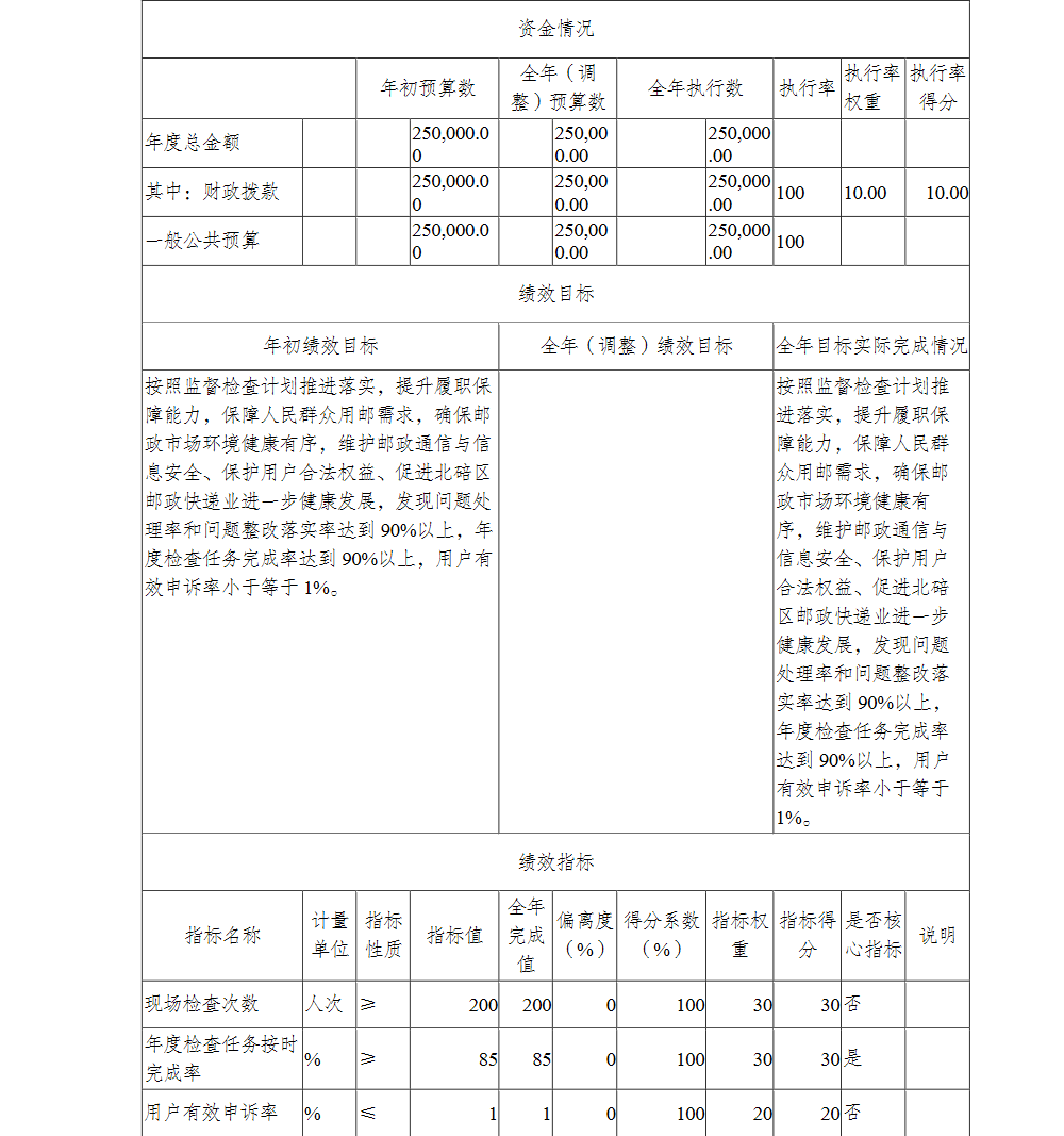
重庆市北碚区交通运输委员会(本级)2024年单位决算情况说明
日期:2025-10-30
大
中
小
文件下载:
重庆市北碚区交通运输委员会(本级)2024年单位决算情况说明及附表.pdf
扫一扫在手机打开当前页
15125406
重庆市北碚区交通运输委员会(本级)2024年单位决算情况说明
181666
决算公开
20
2025-10-30